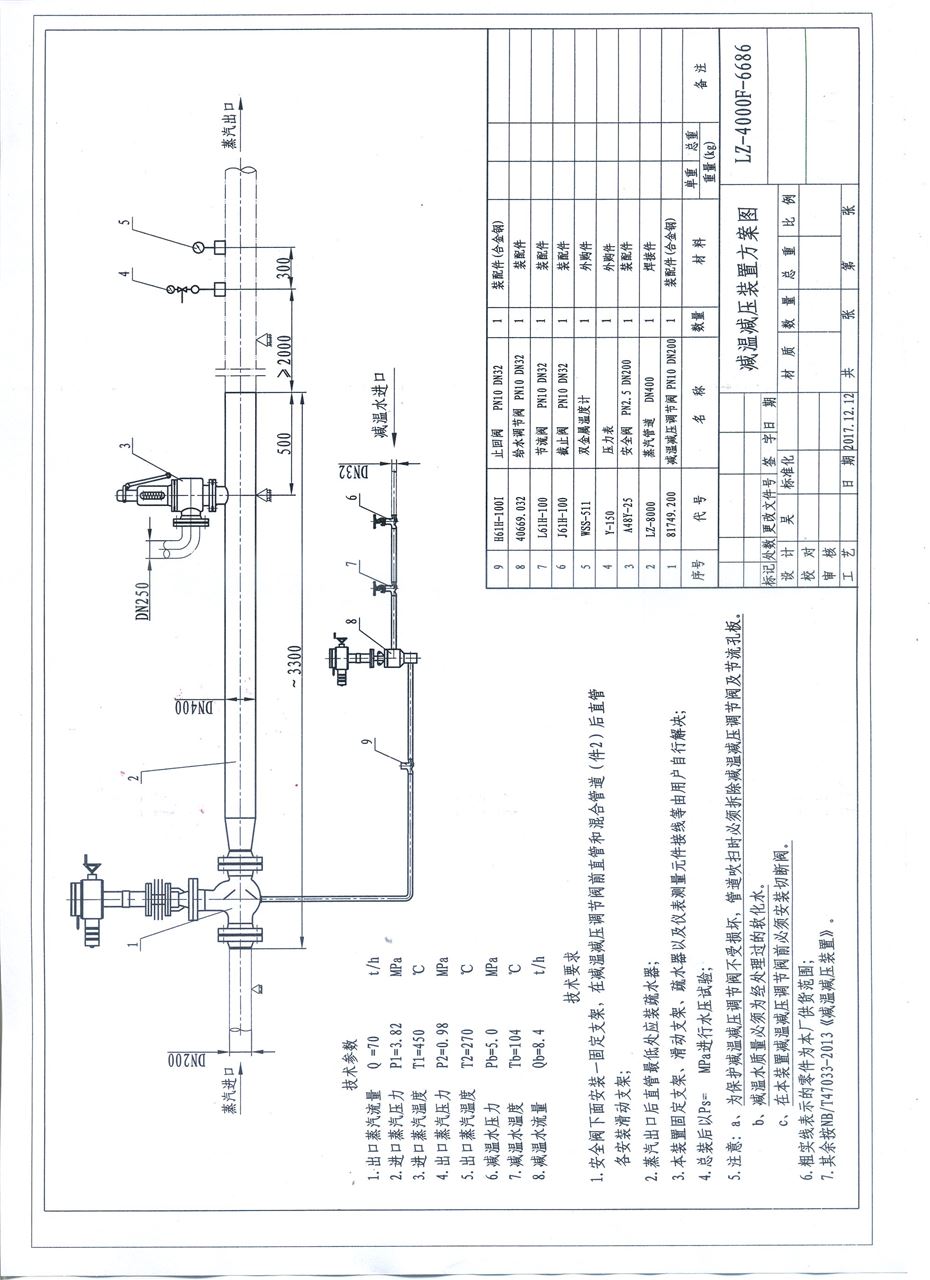
动力车间高减中减温减压器技术规格书一、总则 动力车间高减中减温减压器技术规格书 1.之前介绍组合式减压阀在国华惠州热电应用,现在介绍动力车间高减中减温减压器技术规格书项目概述 1.1设备名称:新疆广汇新能源动力车间新增高减中。 1.2本技术规格书提出的是低限度的要求,并未对一切细节做出规定,也未充分引述相关标准和规范的条文,卖方保证提供符合本技术规格书和有关工业标准的产品。 2.项目描述及要求 .2.1卖方供应蒸汽减温减压装置1套,所供应的蒸汽减温减压装置带负荷能力、备件材质、工艺参数*工艺需求。 3.项目功能 将高温高压主蒸汽经减温减压后并入中压蒸汽系统,以满足现场中压蒸汽用量。 二、相关规范: JB/T6323-92《减温减压装置技术条件》 JB/T3595-93《电站阀门技术条件》 JB/T6880.1-2013《泵用灰铸铁件》 JB/T6880.2-2008《泵用铸钢件》 JB/T6880.3-2013《泵用抗磨白口铸铁件》 DIN55928 第4部分《表面额预处理和检查》 JB8-1982 《产品标牌》 JB/T4297-2008《泵产品涂漆技术条件》 GB/T10868-2005《电站减温减压阀》 GB150-1998 《钢制压力容器》 GB5310-2008 《高压锅炉用无缝钢管》 GB3087-2008 《低、中压锅炉用无缝钢管》 JB35958 《电站阀门制造技术条件》 JB4709 《钢制压力容器焊接规程》 注:必一运动体育主营阀门有:蒸汽减压阀,减压阀(气体减压阀,可调式减压阀,水减压阀遵循上述标准并不能解除卖方应满足规定条件下的合理设计,制造质量和选材的职责。且不于以上标准,不全面的可随时增加,有新标准的按新标准执行,如有冲突按较高标准执行。 三、技术总则及要求 1 设计要求 1.1 设备名称:减温减压装置 1.1.1设备数量:1套。 1.3.2设备用途:将高温高压主蒸汽经减温减压后送至一段工业抽汽。作为化工厂加压气化压缩机透平的备用汽源。 1.3.3设备技术参数: 1) 蒸汽流量: 220 t/h 2) 一次蒸汽参数:P1=9.81MPa.a t1=540℃ 3) 二次蒸汽参数:P2=4.12MPa.a t2=434℃ 1.3.4减温水参数 减温水用高压给水,给水设计压力14.22 MPa,设计温度158℃。 1.3.5进出口管径:φ273×20/φ377×15 1.3.6设备安装位置:3#汽轮机5.50m层。 2 设计与环境条件 卖方所供设备保证满足如下气象环境条件: 2.1 系统概况和相关设备 2.1.1电厂型式:火力发电厂、湿冷凝汽式汽轮发电机组。 2.1.2汽轮机型式:高温、高压、双抽汽、凝汽式供热机组。 生产厂家:南京汽轮电机(集团)有限责任公司 2.1.3锅炉型式:高温高压自然循环汽包炉。 锅炉运行方式:带基本负荷并可调峰。 生产厂家:自贡东方锅炉工业集团有限公司 2.2 安装地点:室内 2.3 基本地震烈度: 7度 2.4 气象条件 ·年平均温度: 10.6℃ ·年平均相对湿度: 32% ·年平均气压: 962.2hP ·热月平均气温: 29.3℃ ·温度: 42.4℃ ·夏季月平均相对湿度: 26% ·夏季平均气压: 1001. 7hPa ·冷月平均气温: -15.8℃ ·低温度: -32.9℃ ·冬季月平均相对湿度: 20 % ·冬季平均气压: 932.6 hPa 3 技术要求 3.1卖方所提供的减温减压装置必须是技术,经济合理,成熟可靠的产品,并具有较高的灵活性,既能够满足主机各种运行方式的需要,亦能适应机组变负荷的要求。 卖方所供设备简述如下: 减温减压装置、长径喷嘴流量计、气动快开阀、压力变送器、差压变送器、温度测量元件、就地温度压力仪表,减温减压装置采用卧式布置,减温减压装置由减压系统、喷水减温系统、安全保护系统和自控系统组成。 1)减压系统: 减压装置是由压力调节阀、节流孔板来实现的。减压原理系按照热力学中等焓过程逐级减压,目的是控制噪音的产生,其减压级数是由减压前蒸汽压力及减压后蒸汽压力之差来决定,通常蒸汽每经过一级减压后,压力约降低40%左右。节流孔板亦起到减压作用,但属于不可调型,当流量变化时,要达到预定出口蒸汽参数,只能依靠减压阀的开度大小进行调节。压力调节阀采用*产品,噪音小,运行平稳,密封可靠,允许压差大,执行机构采用*智能分体式结构,应完够确保二次蒸汽压力在允许的范围内。 2)喷水减温系统: 蒸汽进入减温系统后,采用轴向旋转式机械雾化喷嘴,水在喷嘴内高速旋转喷出后即成雾化状,与蒸汽充分混合,避免出口蒸汽中带水。喷嘴的压降随不同参数、容量的减温减压装置而异,但至少在0.7MPa以上。 从通用角度考虑,为降低库存及维护成本,各类常规仪表及控制阀选型必须参考现有装置使用情况,选用运行稳定的品牌。具体要求如下: 蒸汽压力由调节阀进行调节,调节阀要求采用(费希尔、德国BOMAFA、美国CCI、德国HORA),阀门执行机构采用英国罗托克IQ3系列智能电动分体式结构,原装产品,并提供原装的证明材料,确保产品质量。 减温水流量由调节阀进行调节,调节阀要求采用(费希尔、德国BOMAFA、美国CCI、德国HORA),阀门执行机构采用英国罗托克IQ3系列智能电动分体式结构,原装产品,并提供原装的证明材料,确保产品质量。 蒸汽流量采用长径喷嘴测量元件,测量元件采用德阳新泰生产的焊接式长颈喷嘴,并提供证明材料确保产品质量。 蒸汽由气动快开阀进行切断,阀门要求采用(费希尔、德国BOMAFA、美国CCI、德国HORA),执行机构优先采用与阀门一致的厂家;若不能,选用费希尔原装产品,并提供原装的证明材料,确保产品质量。 压力(差压)变送器采用导压管取压;变送器带HART通讯协议及智能表头(LCD),膜盒必须选用316L的材质,所有的压力、差压仪表均需安装一、二次阀门,便于在线检修,变送器要求采用罗斯蒙特3051C、ABB266系列、霍尼韦尔S700、EJAE等原装产品,并提供原装的证明材料。 高温测量仪表选用双支K型热电偶(套管材质选用316材质),厂家限于天津中环、安徽天康的产品,并提供相应证明材料。 3)安全保护系统: 蒸汽经过减温器后进入二次蒸汽管道,在该处蒸汽和减温水充分混合,减温减压装置设有安全保护装置、温度计和压力表,对压力和温度进行就地监视。减温减压装置的安全保护装置采用弹簧全启式安全阀,当减温减压后的蒸汽压力超过设定值时安全阀即会自动启跳,将蒸汽排入大气中,从而使管道内蒸汽压力保持在设定值内,保证了减温减压装置的安全运行。 减温水止回阀是防止蒸汽倒流至喷水系统中,起到保护喷水管路的作用。 4)自动控制系统 减温减压装置要求配有温度元件及压力变送器,分别将装置后的温度和压力检测出并转换成mV和4-20mA信号送至DCS系统,DCS系统经过相关运算将4-20mA控制信号送至压力调节阀和温度调节阀的电动执行机构,从而控制电动执行机构的动作,电动执行机构带动压力调节阀和温度调节阀的阀杆上下动作,从而对蒸汽压力和温度进行调节。 5)供货清单,具体要求如下: 序号 名称 要求使用厂家 备注 1 远传压力、差压(带配套三阀组、二阀组)仪表 罗斯蒙特3051C、ABB266、霍尼韦尔S700、EJAE*产品 提供*的证明材料 2 温度仪表 天津中环、安徽天康产品(带M32×2.0焊接式安装底座) 提供相应证明材料 3 电动执行机构 英国罗托克IQ3系列智能电动分体式结构 AC380V 50HZ 提供*的证明材料 4 调节阀 费希尔、德国BOMAFA、美国CCI、德国HORA 提供*的证明材料 5 流量计(焊接式长径喷嘴) 德阳新泰(带配套冷凝罐、一、二次阀) 提供相应证明材料 6 电磁阀 ASCO、百弗、海龙 提供*的证明材料 7 阀位传感器 P+F 提供*的证明材料 8 就地压力表 北京布莱迪、重庆川仪、西仪 提供相应证明材料 9 就地温度表 重庆川仪、西仪、上仪 提供相应证明材料 10 气动快开阀 费希尔、德国BOMAFA、美国CCI、德国HORA 提供*的证明材料 3.2减温减压装置在二次蒸汽参数10%-99%范围内变化时,能保证出口参数达到设计要求,并能够安全可靠、稳定运行。
减温减压装置的另一个主要目的是能够稳定的控制出口蒸汽的压力,它是通过压力调节阀、节流孔板来实现的。减压原理系按照热力学中等焓过程逐级减压,目的是控制噪音的产生,其减压级数是由减压前蒸汽压力及减压后蒸汽压力之差来决定,通常蒸汽每经过一级减压后,压力约降低40%左右。节流孔板亦起到减压作用,但属于不可调型,当流量变化时,要达到预定出口蒸汽参数,只能依靠压力调节阀的开度大小进行调节。压力调节阀成套采用英国*罗托克IQ3系列产品,采用等百分比调节特性,噪音小,运行平稳,密封可靠,允许压差大,执行器采用进口智能分体式结构,应完够确保二次蒸汽压力在允许的范围内。 3.2.3减温减压装置按规范进行表面防腐处理。 卖方所供产品防腐处理程序如下: 1)预处理 喷砂除锈,根据 DIN 55928 第 4部分, 除锈等级为Sa 2.5; 2)底漆 2层,每层小干膜厚度为40 微米; 3)面漆 1 层,小干膜厚度为40微米。 油漆及其颜色在交货时双方商定,与介质接触的表面不涂漆。 3.2.4减温减压装置的减温水喷嘴为可调节喷嘴,既能对减温水减压,又能控制减温水的喷射量,还能进行喷射。 3.3产品执行标准 3.3.1减温减压装置符合JB/T6323-92《减温减压装置技术条件》标准。 3.3.2减温减压装置配套的阀门符合JB/T3595-93《电站阀门技术条件》标准。 3.3.3减温减压装置配供其供货范围内调节阀的电动执行机构(采用*),带阀门控制信号和阀门反馈信号,控制信号及反馈信号为4-20mADC。 3.3.4减温装置入口、出口设有弹簧管压力表(精度不低于1.6级)及双金属温度计,且刻度盘应不小于150mm。 3.4设备噪音控制标准:在距设备1米远处测得噪音应在85dB(A)以下。 严格控制管道流速,同时阀门采用孔笼提升式结构,节流孔板的匀流降噪,确保装置噪音低、振动小。 阀前管道流速m/s ≤51.2 二次蒸汽管道流速m/s ≤52.2 减温水管流速 m/s ≤2.9 3.5凡须与买方配管连接的所有接口若采用法兰连接,其法兰保证符合国家标准,并提供配对法兰及附件。 3.6 设备的安装尺寸保证满足以下要求: 3.6.1减温装置长度不超过2500mm; 3.6.2减温减压装置总长度(含减压阀,不含安全阀管段)不超过4250mm。 3.7 寿命要求 减温减压装置的寿命,达到可连续运行25000小时以上,设备服役30年。 3.8 仪表及控制要求 3.8.1随装置供应的检测元件、仪表及控制设备选用通用产品,并符合国家有关标 准。仪表设备的型式选用是经实践证明质量可靠、性能指标符合工艺要求的产品。无论什么情况下,均不配供含水银等有毒物质的仪表以及国家宣布淘汰的产品。 3.8.2就地指示表应结构坚固,防尘防水,刻度盘不小于150mm。 3.8.3卖方提供的调节型电动执行机构,能接受来自DCS的4~20mA控制信号,并输出4~20mA信号,每个调节型电动执行机构为分体式结构,并有断电、断信号等故障报警保护功能。电动执行机构的供电电压等级为380VAC 50Hz。 3.8.5卖方负责提供保护、控制原理及运行监测、控制和性能试验所需的测量元件的安装接口。 3.9 材质要求 3.9.1 材料的选择 卖方合理地选择减温减压装置的材料,并提供主要零部件材料表。 减温减压装置主要零件材质表: 序号 部件名称 数量 材质 1 减温器筒身 1 12Cr1MoV 2 保护套筒 1 12Cr1MoV 3 蒸汽管道 1 12Cr1MoV 4 减压阀 1 阀体、阀盖:WC9;密封面处堆焊硬质合金 5 调节阀 1 阀体、阀盖:碳钢;密封面处堆焊硬质合金 6 安全阀 2 阀体、阀盖:铬钼钢;密封面处堆焊硬质合金 7 截止阀 2 阀体、阀盖:碳钢;密封面处堆焊不锈钢 8 止回阀 1 阀体、阀盖:合金钢;密封面处堆焊不锈钢 9 减温水管道热段 5m 12Cr1MoV 10 减温水管道冷段 10m 12Cr1MoV 减温减压器整套设备还应包含进口速开(阀)、及减温减压器组装所需管件和各阀门旁路、疏水所需等管件。 3.9.2 铸件 铸件符合JB/T6880.1~3标准的规定,没有影响强度的缩孔、气孔、裂纹等缺陷。铸件表面用喷丸、酸洗或其它方法清理干净。 3.10 焊接要求 对需要焊接的部件,卖方按相应的企业标准或国家标准进行焊接,并向买方提供焊接程序及检查方法。 3.11 设备的标记 每台减温减压装置都分别有固定铭牌,铭牌耐腐蚀,并安装在设备明显的位置上。铭牌尺寸及技术要求符合相关标准的规定。 铭牌的内容包括:制造厂名称、设备名称、、设备的主要参数(流量、压力、重量),出厂编号及日期等。 5 质量保证及考核试验 5.1 质量保证 5.1.1卖方满足本技术规格书所提的技术要求 5.1.2卖方向买方保证所供设备是技术、成熟可靠的全新产品。在图纸设计和材料选择方面准确无误,加工工艺无任何缺陷和差错。技术文件及图纸清晰、正确、完整,能满足减温减压装置安装、启、停及正常运行和维护的要求。 5.1.3卖方具备有效方法,对其承包和委托分包出去的所有项目的质量和服务,均符合本技术规格书的要求。 5.1.4一切影响设备和材料的制造、加工、试验及检验均接受买方的监督。 5.1.5买方有权派代表到卖方制造工厂和分包及外购件工厂检查制造过程,检查按合同交付的货物质量,检验按合同交付的元件、组件及使用材料是否符合标准及其它合同上规定的要求,并参加合同规定由卖方进行的一些元件试验和整个装配件的试验。卖方提供给买方代表技术文件及图纸查阅。试验及检验所必需的仪器工具、办公用具。 5.1.6在设备开始生产前,卖方提供一份生产程序和制作加工进度表,进度表中包括检查与试验的项目,以便买方决定哪些部分拟进行现场检查。买方应向卖方明确拟对哪些项目进行现场检查,并事先通知卖方。 5.1.7如在安装和试运期间发现部件缺陷、损坏情况,在证实设备储存安装、维护和运行都符合要求时,卖方尽快免费更换。 5.1.8买方在保证期内发现部件缺陷、损坏情况,可及时向卖方提出索赔要求,卖方在保证期内发生此类事件,认为所提要求是有效的,收到后一个月未作答复,则认为卖方已接受所提要求。 5.1.9在上述情况下,需要进行设备(部件)更换、修复或必需泵组停运进行处理所用的时间,保证期作相应延长。 任一上述情况更换的设备(部件)和材料的保证期,按更换之日起重新开始计算。 5.2试验 5.2.1出厂试验要求 卖方提供材料证明书和工厂试验数据,以证明符合技术规格书和合同的要求。 装置中所有阀门均在厂内进行1.5倍公称压力的水压强度试验,1.1倍公称压力的水压密封试验,其中减压阀和调节阀的泄漏等级满足V级泄漏标准。 5.2.2试验报告 经证明的试验报告提供给买方。报告包括试验安排、仪表及标定数据,试验过程、试验数据及数据结果计算。 5.3性能保证 卖方按本技术规格书的要求,保证设备的性能。 6 油漆、包装和运输 6.1油漆 6.1.1设备的涂漆符合JB/T4297的规定。 6.1.2设备面漆颜色 面漆的颜色由买卖双方商定。卖方出厂前喷涂二道底漆、三道面漆。 6.2包装 6.2.1 设备的包装符合GB/T13384标准的规定,并采取防雨、防潮、防锈、防震等措施,以免在运输过程中由于振动和碰撞引起轴承等部件的损坏。 6.2.2 设备发运前将水全部放掉并吹干,当放水需要拆除塞子、疏水阀等时,卖方确保这些部件在发运前重新装好。 6.2.3 所有开口、法兰、接头采取保护措施,以防止在运输和存储期间遭受腐蚀、损伤及进入杂物。 6.2.4 需要现场连接的螺纹孔或管座的焊接孔采用螺栓或盲板等方式保护。 6.2.5 遮盖物、金属带子或紧扣件不焊在设备上。 6.2.6 包装箱内考虑设备的支撑与固定,所有松散部件要另用小箱盒装好放入箱内。 6.2.7 每个包装件保证有与该包装件相符合的装箱单,放置于包装件明显位置上,并采用防潮的密封袋包装。包装件内装入的零部件,保证有明显的标记与标签,标明部件号、编号、名称、数量等,并与装箱单一致。 6.2.8 设备及其附件采取防潮、防锈蚀等措施,保证12个月内不发生锈蚀和损坏。如果超过12个月时,一般进行检查,并重新作防锈处理。 6.3运输 6.3.1 包装件符合运输作业的规定,以避免在运输和装卸时包装件内的部件产生滑动、撞击和磨损,造成部件的损坏。 6.3.2 包装件上有以下标志: 运输作业标志(包括防潮、防震、放置位置方向、重心位置、绳索固定部件等); 发货标志:出厂编号、箱号、发货站(港)、到货站(港),体积(长×宽×高),设备名称,毛重(公斤),发货单位,收货单位;设备存放和保管要求等级。  四、供货清单、范围 1 一般要求 1.1 本附件规定了合同设备的供货范围。卖方保证提供设备为全新的、的、成熟的、完整的和安全可靠的,且设备的技术经济性能符合(三、技术总则及要求第5条)的要求。 1.2 卖方提供详细供货清单,清单中依次说明型号、数量、产地、生产厂家等内容。对于属于整套设备运行和施工所必需的部件,即使本合同附件未列出和/或数目不足,卖方仍在执行合同时补足。 1.3 卖方提供所有安装和检修所需工具和消耗材料等,并提供详细供货清单。 1.4 卖方提供随机备品备件,并在技术规格书中给出具体清单。 1.5 卖方在投标文件中提出电厂3年商业运行和次大修所需的备品备件(备品备件)的具体清单及其单价,供买方选购。 1.6 提供所供设备中的进口件清单。 1.7 卖方提供的技术资料清单见(六.资料),所有资料上应标明“广汇新能源动力车间新增减温减压器”字样。 2 供货范围 2.1 基本供货范围 本次工程新增1套减温减压装置。 卖方交付成套的减温减压装置包括附件。根据买方提出的供货范围要求,卖方根据设备情况提供细化清单。 卖方确保供货范围完整,满足买方对安装、调试、运行和设备性能的要求,并提供保证设备安装、调试、投运相关的技术服务和配合。在本技术规格书中涉及的供货要求也作为本供货范围的补充,若在安装、调试、运行中发现缺项,卖方补充供货。 成套供应的装置及附件至少包括(但不于)以下内容,并配供所有法兰接口的反法兰及其附件、配供装置所需支架及其附件等: 蒸汽管道、减压阀和减温水调节阀及快开阀(要求进口)、止回阀、节流阀等供货范围内系统连接管道及阀门、温度计、电动执行机构(要求进口)等。 必要的热工测量、监视和保护系统元件及就地仪表、控制盘等。 根据需要的设备提供必要的工具。 备品备件。 2.2 卖方的供货范围 2.2.1 设备范围 减温减压器的供货范围清单。 序号 名称 型号/规格 数量 厂家 备注 1 减温器 DN350 1 2 蒸汽管道 DN350 1 3 截止阀 J61Y-250 DN50,PN25MPa 2 4 安全阀 A48Y-64I DN150,PN6.4MPa 2 5 止回阀 H61Y-P5410V DN50, P5410MPa 1 6 合金钢减温水管道 DN50 15m 7 阀门密封圈 每只阀门另外免费提供两套 4 8 附件 配对法兰及紧固件 温度计、压力表等 所需 9 压力、差压变送器 2 罗斯蒙特3051C、ABB266、霍尼韦尔S700、EJAE*产品 带配套三阀组、二阀组、取压管座 10 双支热电偶(温度仪表) 1 天津中环、安徽天康产品 带M32×2.0焊接式安装底座 11 蒸汽减压阀 6”HPD 1 费希尔、德国BOMAFA、美国CCI、德国HORA 12 减温水调节阀 2”HPS 1 费希尔、德国BOMAFA、美国CCI、德国HORA 13 电动执行机构 6”HPD,分体式执行器 2”HPS,分体式执行器 2 英国罗托克IQ3系列智能电动分体式结构 AC380V 50HZ 14 长径喷嘴 1 德阳新泰(带配套冷凝罐、一、二次阀) 15 气动快开阀 J661Y-P54-250V 1 费希尔、德国BOMAFA、美国CCI、德国HORA 全开启时间小于1.5秒 16 电磁阀 根据实际需求 ASCO、百弗、海龙 17 阀位传感器 根据实际需求 P+F 18 就地压力表 根据实际需求 北京布莱迪、重庆川仪、西仪 19 双金属温度计 根据实际需求 重庆川仪、西仪、上仪

2.2.2工具 工具随设备免费提供一套 2.2.3随机备品备件 序号 名称 规格型号 单位 数量 1 减压阀填料 套 每个阀门提供2套 2 调节阀填料 套 每个阀门提供2套 3 快开阀填料 套 每个阀门提供2套 4 手动截止阀填料 套 每个阀门提供1套 六.资料 1 一般要求 1.1 卖方提供的资料使用国家法定单位制即单位制,语言为中文,进口部件的外文图纸及文件由卖方翻译成中文(免费)。 1.2 资料的组织结构清晰、逻辑性强。资料内容要正确、准确、一致、清晰完整,满足工程要求。 1.3 卖方资料的提交及时充分,满足工程进度要求。在卖方时提供满足施工图设计所需的技术资料,电子版2份,文字版10份。在合同草签后7天内给出全部技术资料清单和交付进度,并经买方确认。 1.4 卖方提供的技术资料一般可分为卖方阶段,配合工程设计阶段,设备监造检验,施工调试试运、性能验收试验和运行维护等四个方面。卖方满足以上四个方面的具体要求。 1.5 对于其它没有列入合同技术资料清单,却是工程所必需的文件和资料,一经发现,卖方及时免费提供。 1.6 买方要及时提供与合同设备设计制造有关的资料。 1.7 配合工程设计的资料应在预中标通知书收到后2日内提供。 2 技术资料 2.1配合工程设计的资料与图纸(共2套,同时提供可编辑电子版文件) 1)减温减压装置外形图,图上零件及材料清单齐备,并有进出口接口编号及尺寸表。 2)电动执行机构原理接线图及详细的说明书。 3)提供产品的使用说明书及有关文件。 2.2施工、调试、试运、机组性能试验和运行维护所需的技术资料包括但不限于: 2.2.1提供设备安装、调试和试运说明书,以及组装、拆卸时所需用的技术资料。 2.2.2安装、运行、维护、检修所需的详尽图纸和技术文件,包括设备总图、部件总图、分图和必要的零件图等。 2.2.3设备的安装、运行、维护、检修说明书,包括设备结构特点、安装程序和工艺要求、起动调试要领。运行操作规定和控制数据、维护说明等。 2.2.4卖方提供备品、配件总清单和易损零件图。 2.3卖方提供的其它技术资料 2.3.1检验记录、试验报告及质量合格证等出厂报告。 2.3.2卖方提供在设计、制造时所遵循的规范、标准和规定清单。 2.3.3设备和备品管理资料文件,包括设备和备品发运和装箱的详细资料(各种清单),设备和备品存放与保管技术要求,运输超重和超大件的明细表和外形图。 2.3.4详细的产品质量文件,包括材质、材质检验、焊接、热处理,加工质量,外形尺寸,水压试验和性能检验等的证明。 七.监造(检验)和性能验收试验 1 概述 1.1 本附件用于合同执行期间对卖方所提供的设备(包括对分包外购设备)进行检验、监造和性能验收试验,确保卖方所提供的设备符合(三、技术总则及要求第5条)规定的要求。 1.2 卖方在本合同生效后3个月内,向买方提供与本合同设备有关的监造、检验、性能验收试验标准。有关标准应符合(三、技术总则及要求第5条)的规定。 1.3不论监造代表是否参与监造与出厂检验或者监造代表参加了监造与检验,并且签署了监造与检验报告,均不能被视为卖方按合同规定应承担的质量保证责任的解除,也不能免除卖方对设备质量应负的责任。 2 工厂检验 2.1 工厂检验是质量控制的一个重要组成部分。卖方严格进行厂内各生产环节的检验和试验。卖方提供的合同设备签发质量证明、检验记录和测试报告,并且作为交货时质量证明文件的组成部分。 2.2 检验的范围包括原材料和元器件的进厂,部件的加工、组装、试验至出厂试验。 2.3 卖方检验的结果满足(三、技术总则及要求第5条)的要求,如有不符之处或达不到标准要求,卖方要采取措施处理直至满足要求,同时向买方提交不一致性报告。卖方发生重大质量问题时将情况及时通知买方。 2.4 工厂检验的所有费用包括在合同总价之中。 3 性能验收试验 3.1 性能验收试验的目的为了检验合同设备的所有性能是否符合(三、技术总则及要求第5条)的要求。 3.2 性能验收试验的地点由合同确定,一般为买方现场。 3.3 性能试验的时间:机组试验一般在168小时试运之后半年内进行,具体试时间由买方与卖方商定;单台设备的试验买卖双方协商确定。 3.4性能验收试验由买方主持,卖方参加。试验大纲由买方提供,与卖方讨论后确定。如试验在现场进行,卖方进行配合;如试验在工厂进行,试验所需的人力和物力等由卖方提供。 3.5 性能验收试验的内容 见(三、技术总则及要求第5条) 3.6 性能验收试验的标准和方法 见(三、技术总则及要求第5条) 3.7 性能验收试验所需的测点、一次元件和就地仪表的装设由卖方提供,参加方配合。卖方也提供试验所需的技术配合和人员配合。 3.8 性能验收试验的费用 卖方试验的配合等费用已在合同总价内。其它费用,如试验在现场进行,由买方承担;在卖方工厂进行,则已包含与合同总价之中。 3.9 性能验收试验结果的确认 性能验收试验报告以买方为主编写,卖方参加,共同签章确认结论。如双方对试验的结果有不一致意见,双方协商解决;如仍不能达成一致,则提交双方上级部门协调。 进行性能验收试验时,一方接到另一方试验通知而不派人参加试验,则被视为对验收试验结果的同意,并进行确认签盖章。  八.质量保证 7.1质保期应从设备稳定运行试生产后算起一年。 7.2在质保期之内若发生质量问题,供方应在需方要求的时间内派有经验的技术人员到现场免费修理,直至更换部件或整台设备,质保期则从维修和更换部件后、设备验收合格之日起重新算起。 7.3卖方需确保所有产品都无材料或加工缺陷,完够满足买方安装及适用要求。如果因备件质量先天缺陷导致备品备件损坏,卖方应无偿更换同型号、同品质全新的备品备件。 7.4质保范围内对产品的维修、检测必须在买方现场进行或卖方提供同种替代产品后方可由卖方去其它地方维修,所有费用由卖方承担,并且需满足买方检修工期要求。
 九.技术服务及交货期限 1 卖方现场技术服务 1.1 卖方现场技术服务人员的目的是保证所提供设备安全、正常投运。卖方派出合格的、能独立解决问题的现场服务人员。卖方提供的包括服务人天数的现场服务表能满足工程需要。如果由于卖方的原因,下表中的人天数不能满足工程需要,买方有权追加人天数,且发生的费用由卖方承担;如果由于买方的原因,下表中的人天数不能满足工程需要,买方要求追加人天数,且发生的费用由买方承担。 1.2卖方服务人员的一切费用己包含在合同总价中,它包括诸如服务人员的工资及各种补助、交通费、通讯费、食宿费、医疗费、各种保险费、各种税费,等等。 1.3现场服务人员的工作时间与现场要求相一致,以满足现场安装、调试、和运行的要求。买方不再因卖方现场服务人员的加班和节假日而另付费用。 1.4未经买方同意,卖方不得随意更换现场服务人员。同时,卖方及时更换买方认为不合格的卖方现场服务人员。 1.5 下述现场服务表中的天数均为现场服务人员人天数。 现场服务计划表(格式) 序号 技术服务内容 计划人月数 派出人员构成 职称 人数 备注 1 运行调试 1人/3天 工程师 1
1.6 在下列情况下发生的服务人天数将不计入卖方现场总服务人天数中: 1.6.1由于卖方原因不能履行服务人员职责和不具备服务人员条件资质的现场服务人员人天/月数; 1.6.2 卖方为解决在设计、安装、调试、试运等阶段的自身技术、设备等方面出现的问题而增加的现场服务人天数; 1.6.3 因其他卖方原因而增加的现场服务人员。 1.7 卖方现场服务人员具有下列资质: 1.7.1 遵守中华人民共和国法律,遵守现场的各项规章和制度; 1.7.2 有较强的责任感和事业心,按时到位: 1.7.3 了解合同设备的设计,熟悉其结构,有相同或相近机组的现场工作经验,能够正确地进行现场指导; 1.7.4身体健康,适应现场工作的条件; 职务 职称 1.8卖方现场服务人员的职责 1.8.1卖方现场服务人员的任务主要包括设备催交、货物的开箱检验、设备质量问题的处理、安装和调试、参加试运和性能验收试验; 1.8.2在安装和调试前,卖方技术服务人员应向买方进行技术交底,讲解和示范将要进行的程序和方法。在设备安装前,卖方向买方提供设备安装和调试的重要工序和进度表,买方技术人员要对此进行确认,否则卖方不能进行下一道工序。经买方确认的工序不因此而减轻卖方技术服务人员的任何责任,对安装和调试中出现的任何问题卖方仍要负全部责任; 卖方提供的安装、调试重要工序表 序号 工序名称 工序主要内容 备注 1 安装 安装 2 调试 调试 注:此表内容在合同执行期间提供。 1.8.3卖方现场服务人员负责全权处理现场出现的一切技术和商务问题。如现场发生质量问题,卖方现场人员在买方规定的时间内处理解决。如卖方委托买方进行处理,卖方现场服务人员要出委托书并承担相应的经济责任; 1.8.4 卖方对其现场服务人员的一切行为负全部责任; 1.8.5 卖方现场服务人员的正常来去和更换事先与买方协商。 1.9 买方的义务 买方要配合卖方现场服务人员的工作,并在生活、交通和通讯上提卖方便。 2 设计联络 2.1设计联络会的目的是保证合同设备和电厂的成功设计,及时协调和解决设计中的技术问题,协调买方和卖方,以及各卖方之间的接口问题。  2.2 设计联络会议题 2.2.l 明确接口,研究双方工作计划、配合资料要求和进度。 2.2.2 检查设计接口,供货接口衔接,相互资料提供和配合。 2.2.3 讨论施工、运输方案,解决详细设计技术问题;设备验收、考核相关事宜。有关设计联络的计划、时间、地点和内容要求由买卖双方商定。与本产品相关论文禁油脱脂氧气减压阀操作维护
|