WY945H电动蒸汽减温减压装置减温减压装置是用来调节蒸汽压力、温度的重要装置,在火力发电厂中锅炉产生过热蒸汽,如果锅炉不装备减温器,无法将锅炉出口蒸汽温度控制在需要范围内,会使锅炉汽轮机等设备因超温损坏或造成重大事故。同时,在化工、轻工、医药、食品加工等一切使用蒸汽的生产工艺流程中,过热蒸汽作为机械能量的产生提供了佳的能源。而许多情况下,饱和蒸汽是更适合使用的,由于工艺及设备的原因,对压力、温度的控制也是*的,通过减温减压装置可以得到合适的动力蒸汽。例如:当换热器用于制程操作时,使用过热蒸汽由于低的传热系数而降低效率,使用饱和蒸汽更加适合。另外当高压的干饱和蒸汽减压至低压时,在下游出口会产生过热度。这样都需要将过热的蒸汽降温至所需的接近饱和的温度,这需要减温器。在很多情况下需要对高压过热的蒸汽同时进行减温和减压。减温减压装置是节能环保产品。减温减压装置配上相应的工业自动化仪表(即热控柜),可对电站或工业锅炉及热电厂等处输送来的一次(新)蒸汽压力P1、温度T1进行减温减压,使其二次蒸汽压力P2、温度T2达到生产工艺所需的要求。广泛用于热电厂、集中供热、食品工业、石化工业、纺织工业、橡胶工业、造纸和纸浆工业、烟草工业、制药等其它很多行业。为了满足不同设备工艺要求,我公司提供不同类型的减温减压(减温、减压)器,并实现全套智能化自动控制或DCS系统联网。  WY945H电动蒸汽减温减压装置减压系统:减压阀及减压孔板组成;减温系统:文丘里氏混合管、给水调节阀、节流阀、止回阀、截止阀组成;安全保护系统:主安全阀、冲量安全阀或弹簧安全阀组成。用于准确敏捷的压力控制阀,减温减压阀主要由阀体、阀座、阀瓣、阀罩等零件组成。采用双阀座和圆锥形柱塞结构,增大了过流面积可调比。阀内没有节流孔罩,增大了减压幅度,同时避免减温水直接喷射到阀体上,保护了阀体。 本系列电动蒸汽减温减压阀主要用于火力发电,配套在第三代减温减压装置上,调节压力和温度时,使用调节温度要与给水调节阀配套使用。电动减温减压阀主要由两体、两座、闷瓣、阀罩等零件组威,采用双阀座和圆锥形柱塞结构。增大了过流面积和可调比。阀内设有节流孔罩.增丈了减压幅度,同时避免减温水直接喷射到阀体上,保护了阀体。电动减温减压阀主要用于火力发电.配套在第三代藏温减压装置上,调节压力和温度时使用调节温度时要与给水调节阿配套使用。 WY945电动蒸汽减温减压阀调节压力可配用ZKZ型或其它型直行程电动执行器以配套热控柜实现遥控和自动控制。
WY945H电动蒸汽减温减压装置电动蒸汽减温减压阀阀体材质: 碳钢,不锈钢,合金钢 GB/T 12229 WCB 设计参数: 阀体设计条件:PN25-100 DN50-400 大工作温度: 饱和蒸汽 WY945 t≤ 250℃ WYS945 t≤ 425℃(带散热片) 压力控制范围 进出口压力大可实现二次减压 
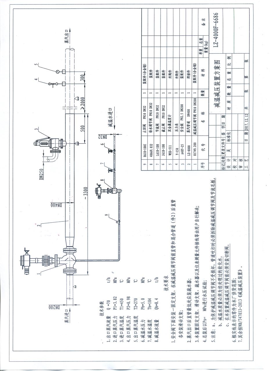
WY945H电动蒸汽减温减压装置 a)、采用套筒减压阀结构,不平衡力小,调节范围大,动作平稳,无卡阻现象。 b)、减温系统采用文丘里氏+笛型喷嘴,无传动部件,雾化稳定可靠,喷嘴拆装方便,便于维修。 c)、减压系统和减温系统分开进行,主要用于工况恶劣,如高温高压(P1≤10Mpa,t1≤540℃),避免减温水冲刷阀体内件,或用于压力较低的过热蒸汽降至饱和蒸汽的工况(如集中供热p≤13Mpa,t≤250℃),主要考虑蒸汽流速较低,采用文丘里氏减温,使减温水充分雾化,达到较好的减温效果。 d)、应用场合:次中温中压参数(P1≤2.5MPa,T1≤400℃)  WY945H电动蒸汽减温减压装置减温减压装置根据一次(新)蒸汽压力P1、温度T1、可分为高温高压减温减压装置、次高压减温减压装置、中温中压减温减压装置;减温减压装置根据使用情况又可分为减温装置、减压装置、减温减压装置,减温减压装置一般根据一次蒸汽(新蒸汽)和二次蒸汽(即减温减压后的蒸汽)的参数及用量进行选择,经常运行的减温减压装置一般设置两套,其中一套作为备用;不经常运行的减温减压装置一般不考虑备用;备用的减温减压装置应处于热备用状态。设计计算时根据二次蒸汽的量确定进入减温减压装置的一次蒸汽和减温水量,减温水压力、温度应满足喷水及雾化的要求,水质不低于蒸汽品质。
|