之前介绍SY42AX煤矿水管路减压阀应用案例,现在介绍真空泵配套电磁真空压差式充气阀电磁真空带充气阀是安装在机械式真空泵上的阀门。阀门与泵接在同一电源上,泵的开启与停止直接控制了阀的开启与关闭。当泵停止工作或电源突然中断时,阀能自动将真空系统封闭,并将大气通过泵的进气口充入泵腔,避免泵油返流污染真空系统。电磁真空压差式充气阀DYC-JQ是安装在机械真空泵上的阀门。安装于机械真空泵的进气口,并于泵同步开启和关闭。当泵停止工作或电源突然中断时,阀门能依靠大气与真空的压差力使阀板自动关闭,将真空系统封闭,保持其真空度,并将大气通过阀的节流孔充入泵腔内,从而避免泵油逆流污染真空系统。 电磁阀工作原理 1.常闭型,通电时电磁线圈产生足够的电磁力把运动部件(由磁芯、阀杆、上下部的膜片/密封件构成)从阀座上提起,阀门开启;断电时弹簧力把运动部件压在阀座上,阀门关闭。2.常开型,动作方向与常闭型相反。 真空泵配套电磁真空压差式充气阀电磁阀特点: 1.在真空、负压、零压时能正常工作,但通径一般不超过25mm。 2.在零压差或真空、高压时亦可动作,但功率较大,要求必须水平安装。 必一运动体育主营阀门有:蒸汽减压阀,减压阀(气体减压阀,可调式减压阀,真空泵配套电磁真空压差式充气阀适用的工作介质为空气及非腐蚀性气体。 适用范围(Pa) | 105~1x10-2 | 阀门漏率(Pa.L/S) | <6.7x10-4 | 适用温度(℃) | -25~+50 | 线圈温升(℃) | ≤65 | 开闭时间(S) | ≤3 | 电源电压(V/Hz) | 220±10%/50 |

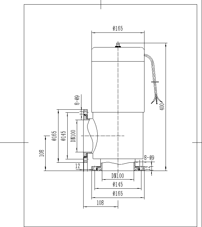
真空泵配套电磁真空压差式充气阀 型号 | 通径(DN) | ΦW | ΦD | ΦB | H | A | n-d | 法兰标准 | DDC-JQ16B | 16 | 68 | 30 | 17.2 | 191 | 40 | / | GB4982 | DDC-JQ25B | 25 | 82 | 40 | 26.2 | 202 | 50 | DDC-JQ32B | 32 | 92 | 55 | 41.2 | 244 | 50 | DDC-JQ40B | 40 | 110 | 55 | 41.2 | 275 | 65 | DDC-JQ50B | 50 | 125 | 110 | 90 | 314 | 80 | 4-Φ9 | GB/T6070 | DDC-JQ65B | 65 | 135 | 130 | 110 | 343 | 88 | 4-Φ9 | DDC-JQ80B | 80 | 135 | 145 | 125 | 387 | 95 | 4-Φ9 | DDC-JQ100B | 100 | 165 | 165 | 145 | 399 | 108 | 8-Φ9 |
与本产品相关论文禁油脱脂氧气减压阀操作维护 |