一、HG5-89-2储罐底部下展式放料阀技术规范定义与功能 放料阀是安装在反应釜、储罐等容器底部的专用阀门,核心功能包括:放料阀(Discharge Valve)主要用于反应釜,储罐和其它容器的底部排料、放料、取样和无死区关断操作。借助于阀门底部法兰焊接于储罐和其它容器的底部,因此消除工艺介质通常在器出口的残留现象. 放料阀根据实际情况的需要,放料结构设计为提升和下降两种工作方式。 HG5-89-2下展式放料阀主要用于反应器,储罐和其他容器的底部排料,借助于阀门底部法兰焊接于储罐和其他容器的底部,因此消除介质常在容器底部的残留现象。放料阀根据实际情况的需要,放底结果设计为平底,阀体为V型,并提供提升和下降两种工作方式的阀瓣。阀体内腔装有耐冲刷、耐腐蚀的密封圈,在开启阀门瞬间,可以保护阀体不被介质冲刷、腐蚀,并对密封圈进行特种处理,使表面硬度达到HRC56~62,具有高耐磨、耐腐蚀的功能。阀瓣密封根据需要时封面均堆焊接有硬质合金,密封面采用线密封,保证密封的可靠性,并可防止结疤。同时,采取短行程阀瓣的设计。在化工、石油、冶金、制药、农药、染料、食品加工等行业广泛使用。 标准规范1.设计制造标准按GB/T12235-2007 2.结构长度标准按企业标准 3.法兰连接按JB/T79-94,GB/T9113 HG20592-2009等 4.试验与检验按GB/T13927-2008 上展式与下展式区分放料阀主要用于储料罐、反应釜及其他容器的底部排放物料,阀门采用法兰或对接焊与设备连接并位于其底部,消除了工艺介质通常在容器出口的残留现象。根据实际情况的需要分为上展式、下展式、柱塞式三种结构形式;上展式用于有搅拌器(除框式锚式)的反应釜放料;而下展式、柱塞式用于框式锚式搅拌器的反应釜放料。密封面采用耐冲刷、耐腐蚀材料,并进行特殊处理,使表面硬度达到HRC48~52,具有高耐磨、耐腐蚀的功能,保证了阀门的密封可靠性。广泛使用在化工、石油、冶金、制药、染料、食品加工等行业。 密闭排放:控制化学液体在密闭环境中反应,反应结束后精准排放料液。 无死区设计:阀瓣与容器底部吻合,消除介质残留,避免污染或反应不。 适应多工况:可处理腐蚀性介质(如酸碱液)、含颗粒浆料或高粘度物料。 
二、HG5-89-2储罐底部下展式放料阀技术规范结构与分类 1. 结构组成 核心部件:阀体、阀瓣(启闭件)、密封圈、执行机构(手动/气动/电动)。 特殊设计: 平底型阀体:防止物料沉积。 耐冲刷密封圈:表面硬度达HRC56-62,耐磨损、耐腐蚀。 2. 分类方式 按结构: 上展式:阀瓣上升开启,需克服介质压力,关闭力矩大。 下展式:阀瓣下降开启,与介质作用力同向,操作更省力。 柱塞式/球阀式:适用于特定工况(如高频启闭或粘稠物料)。 按驱动方式:手动、气动(弹簧复位/双作用)、电动、液动。 按材质:不锈钢(通用介质)、搪玻璃(耐强酸碱)、合金钢(耐磨矿浆)。 三、HG5-89-2储罐底部下展式放料阀技术规范工作原理

根据实际情况的需要,放底结构设计为平底型,阀体为V型,并提供提升和下降两种工作方式阀瓣。阀体内腔装有耐冲刷、耐腐蚀的密封圈,在开启瞬间,可以保护阀体不被介质冲刷、腐蚀,并对密封圈进行特种处理,使表面硬度达到HRC56-62,具有高耐磨、耐腐蚀的功能。阀瓣密封根据需要时封面均堆焊有硬质合金,密封副采用线密封,保证密封的可靠性,并可防止结疤。同时,采取短行程阀瓣的设计。在化工、石油、冶金、制药、农药、染料、食品加工等行业广泛使用。各种操作方式,例如,手动,气动(弹簧复位式、双作用式、带手轮和不带手轮),电动,液动,齿轮等。
放料阀的手轮往右边转为关,往左边转为开,主要用于反应器,储罐和其他容器的底部排料,借助于阀门底部法兰焊接于储罐和其他容器的底部,因此消除介质常在容器底部的残留现象。放料阀根据实际情况的需要,放底结果设计为平底,阀体为Y型,并提供下降工作方式的阀瓣。
介质流向控制:通过阀瓣位置切换流向(如三通放料阀可分流物料)。 操作逻辑: 上展式:开启时阀瓣提升,关闭时需外力压紧。 下展式:开启时阀瓣下降,利用介质压力辅助密封。 四、应用领域 化工行业:排放酸碱液、浆料(搪玻璃阀耐腐蚀性强)。 制药与食品:无菌卸料,符合GMP/FDA标准(卫生级设计)。 环保领域:污水处理污泥排放,耐颗粒磨损设计延长寿命。 矿业与冶金:矿浆、粉末输送控制(耐磨材质)。 能源与石化:油品、气体排放,耐高温高压(特殊材质)。 五、HG5-89-2储罐底部下展式放料阀技术规范优缺点分析

优点 密封性强:线密封结构,防止结疤和泄漏。 耐腐蚀/耐磨:搪玻璃、陶瓷材质适应恶劣工况。 操作灵活:支持手动、气动、电动等多种驱动方式。 易维护:密封圈可快速更换,阀瓣装配简单。 缺点 耐压有限:通常≤0.6MPa,高压工况需特殊设计。 耐温限制:搪玻璃阀≤240℃,耐温急变≤120℃。 成本较高:特殊材质或智能驱动版本价格较高。 六、HG5-89-2储罐底部下展式放料阀技术规范市场现状与趋势

市场规模:2025年中国排气放料阀市场预计达350亿元(2020-2025年CAGR约7%)。 驱动因素: 化工/石油行业需求占比超60%。 环保政策推动技术升级(如耐腐蚀、低泄漏设计)。 技术趋势: 智能化:远程监控、自动调节(如智能排气放料阀)。 小型化/高效化:适应紧凑型设备需求。 HG5-89-2储罐底部下展式放料阀技术规范看图分析上展式与下展式

HG5-89-2储罐底部下展式放料阀技术规范主要零件材质| 零件名称 | ZG1Cr18Ni9Ti系列 | ZG00Cr18Ni10系列 | ZG1Cr18Ni12MO 2 Ti系列 | ZG00Cr17Ni14MO 2 系列 | WCB系列 | | 阀体/阀盖 | ZG1Cr18Ni9Ti | ZG00Cr18Ni10 | ZG1Cr18Ni12MO 2 Ti | ZG00Cr17Ni14MO 2 | WCB | | 阀杆 | ZG1Cr18Ni9Ti | ZG00Cr18Ni10 | ZG1Cr18Ni12MO 2 Ti | ZG00Cr17Ni14MO 2 | WCB | | 阀瓣 | ZG1Cr18Ni9Ti | ZG00Cr18Ni10 | ZG1Cr18Ni12MO 2 Ti | ZG00Cr17Ni14MO 2 | WCB | | 垫片 | 304+PTFE | 304L+PTFE | 316+PTFE | 316L+PTFE | 石墨+304 | | 螺柱 | 1Cr17Ni2 | 1Cr17Ni2 | 1Cr17Ni2 | 1Cr17Ni2 | 35CrMoA | | 螺母 | 1Cr18Ni9Ti | 1Cr18Ni9Ti | 1Cr18Ni9Ti | 1Cr18Ni9Ti | 45 |
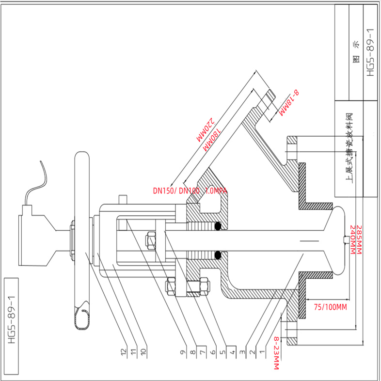
HG5-89-2储罐底部下展式放料阀技术规范外形结构图
主要外形尺寸(上展式)| DN | 上法兰 | 上法兰 | 下法兰 | 密封座 | | D1 | D2 | D3 | D4 | D5 | D6 | | 25 | 115 | 80 | 115 | 85 |
|
| | 32 | 135 | 100 | 135 | 100 |
|
| | 40 | 145 | 110 | 145 | 110 | 80 | 60 | | 50 | 165 | 125 | 160 | 125 | 85 | 70 | | 65 | 180 | 145 | 180 | 145 | 130 | 85 | | 80 | 195 | 160 | 195 | 160 | 135 | 95 | | 100 | 215 | 180 | 215 | 180 | 160 | 130 | | 125 | 245 | 210 | 245 | 210 | 160 | 140 | | 150 | 280 | 240 | 280 | 240 | 185 | 165 | | 200 | 335 | 295 | 335 | 295 | / | / |
主要外形尺寸(下展式)| DN | 上法兰 | 上法兰 | 下法兰 | 密封座 | | D1 | D2 | D3 | D4 | D5 | D6 | | 25 | 115 | 85 | 135 | 100 | 70 | 40 | | 32 | 135 | 100 | 145 | 110 | 75 | 55 | | 40 | 145 | 110 | 160 | 125 | 85 | 65 | | 50 | 165 | 125 | 180 | 145 | 100 | 70 | | 65 | 180 | 145 | 195 | 160 | 135 | 90 | | 80 | 195 | 160 | 215 | 180 | 155 | 130 | | 100 | 215 | 180 | 245 | 210 | 180 | 135 | | 125 | 245 | 210 | 280 | 245 | 195 | 145 | | 150 | 280 | 240 | 335 | 295 | 210 | 185 | | 200 | 335 | 295 | 405 | 355 |
|
|
七、HG5-89-2储罐底部下展式放料阀技术规范安装与维护

安装要点 水平安装:保持阀门全开位,避免介质残留。 密封检查:注润滑脂验证密封性,防止焊接高温损伤。 防护措施:吊装时避免阀杆或执行器受力。 维护建议 定期检查:阀瓣、密封件磨损情况,及时更换。 清洁保养:清除阀体内部污垢,防止堵塞。 润滑管理:操作前后补入润滑脂,排空阀腔积水。 八、HG5-89-2储罐底部下展式放料阀技术规范定制化解决方案

针对特定需求,放料阀可提供以下定制选项: 耐磨耐腐蚀材质:陶瓷、合金钢应对矿浆或化工介质。 防卡滞设计:振动辅助或锥形结构,解决粘稠物料堵塞。 温控功能:集成加热/冷却系统,维持物料流动性(如塑料加工)。 卫生级设计:无缝隙、易清洗,符合食品/医药标准。 快开快关:紧急停机或物料切换场景,减少浪费。 总结:放料阀作为容器底部排放的关键设备,其设计需兼顾密封性、耐腐蚀性和操作便捷性。随着工业自动化和环保要求的提升,智能放料阀和定制化解决方案将成为市场主流。用户在选型时应根据介质特性、工况条件及维护需求综合评估,以确保设备性能与生产安全。 |